Manuales De Taller Chile
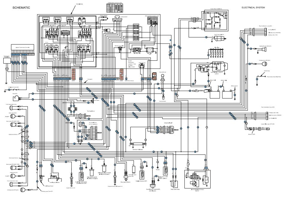
Diagrama eléctrico Caterpillar MCFE DP70
Diagrama eléctrico Caterpillar MCFE DP70
Precio habitual
$9.00 USD
Precio habitual
$18.00 USD
Precio de oferta
$9.00 USD
Precio unitario
/
por
Los gastos de envío se calculan en la pantalla de pago.
No se pudo cargar la disponibilidad de retiro
"Tu compra más fácil, rápida y segura: paga con tarjeta de crédito o débito."
Diagrama eléctrico de la carretilla elevadora CAT MCFE DP70
Tamaño: 774 KB
Formato: PDF
Idioma: Inglés
Marca: CAT
Tipo de Máquina: Carretilla Elevadora
Tipo de documento: Esquema Eléctrico
Modelo: CAT DP70 Carretilla elevadora MCFE
Contenido:
Diagrama eléctrico de la carretilla elevadora CAT MCFE DP70 T20C-60001-69999 99709-87100
Diagrama eléctrico de la carretilla elevadora CAT MCFE DP70 9CP-00001-99999 SENB8551
Share
